高頻電源適配器常用的變換器電路類型 | ||||||||||
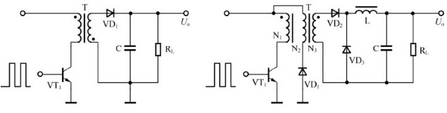
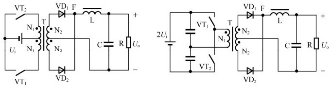
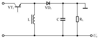
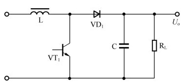
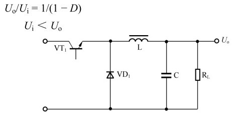
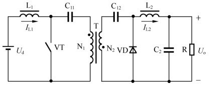
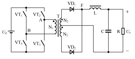
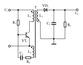
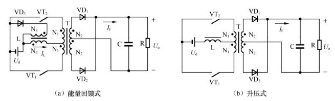
| 電源適配器變換器的拓撲結構是指能用于轉換、控制和調節輸入電壓的功率開關器件和儲能元件的不同配置。電源適配器變換器的拓撲結構可分為兩種基本類型:非隔離型(在工作期間輸入源和輸出負載共用一個共同的電流通路)和隔離型(能量轉換是用一個相互耦合的磁性元件變壓器來實現的,而且從源到負載的耦合是借助于磁通而不是共同的電流回路)。變換器拓撲結構是根據系統造價、性能指標和輸入/輸出負載特性諸因素選定的。 1.非隔離開關變換器 非隔離開關變換器有4種基本拓撲結構用于DC/DC變換器。 (1)降壓拓撲結構 降壓式電源適配器的典型電路如圖1-5所示。當開關管VT1導通時,二極管VD1截止,輸入的整流電壓經VT1和L向C充電,這一電流使電感L中的儲能增加。當開關管VT1截止時,電感L感應出左負右正的電壓,并經負載RL和續流二極管VD1釋放存儲的能量,維持直流輸出電壓不變。電路輸出的直流電壓的高低由加在VT1基極上的脈沖寬度確定。 這種電路所用元件少,它同下面介紹的另外兩種電路一樣,只需要利用電感、電容和二極管即可實現。降壓變換器將輸入電壓變換成較低的穩定的輸出電壓。輸出電壓(Uo)和輸入電壓(Ui)的關系為: ![]() (2)升壓拓撲結構 升壓式電源適配器的典型電路如圖1-6所示。當開關管VT1導通時,電感L儲存能量。當開關管VT1截止時,電感L感應出左負右正的電壓,該電壓疊加在輸入電壓上,經二極管VD1向負載供電,使輸出電壓大于輸入電壓,形成升壓式電源適配器。升壓變換器將輸入電壓變換成較高的穩定的輸出電壓。輸出電壓和輸入電壓的關系為: ![]() 降壓式電源適配器 ![]() (3)逆向拓撲結構 逆向變換器將輸入電壓變換成較低的反相輸出電壓。輸出電壓與輸入電壓的關系為: ![]() (4)反轉式拓撲結構 反轉式電源適配器的典型電路如圖1-7所示。這種電路又稱為升降壓式電源適配器。無論開關管VT1之前的脈動直流電壓是高于還是低于輸出端的穩定電壓,電路均能正常工作。 ![]() 圖反轉式電源適配器 當開關管VT1導通時,電感L儲存能量,二極管VD1截止,負載RL靠電容C上的充電電荷供電。當開關管VT1截止時,電感L中的電流繼續流通,并感應出上負下正的電壓,經二極管VD1向負載供電,同時給電容C充電。 反轉式變換器將輸入電壓變換成穩定的較低的反相電壓或較高的輸出電壓(電壓值取決于占空比)。輸出電壓和輸入電壓的關系為: ![]() 2.隔離式開關變換器 隔離式開關變換器的拓撲結構有很多種,但其中3種比較通用,它們是逆向變換器、正向變換器和推挽變換器。在這些電路中,從輸入電源適配器到負載的能量轉換是通過一個變壓器磁通耦合或其他磁性元件實現的。 (1)推挽型變換器與半橋型變換器 推挽型變換器與半橋型變換器是典型的逆變整流型變換器,電路結構如圖1-8所示。加在變壓器一次繞組上的電壓為幅度等于輸入電壓Ui、寬度為開關導通時間ton的脈沖波形,變壓器二次電壓經二極管VD1、VD2全波整流變為直流。 ![]() 圖推挽型與半橋型變換電路 推挽式電源適配器的典型電路如圖(a)所示。它屬于雙端式變換電路,高頻變壓器的磁芯工作在磁滯回線的兩側。該電路使用兩個開關管VT1和VT2,兩個開關管在外激勵方波信號的控制下交替導通與截止,在變壓器T的次級統組得到方波電壓,經整流濾波變為所需要的直流電壓。 這種電路的優點是兩個開關管容易驅動,主要缺點是開關管的耐壓要達到電路峰值電壓的兩倍。電路的輸出功率較大,一般為100~500W。 圖(b)所示為半橋型變換器的電路結構。如只從輸出側濾波器來看,其工作原理和降壓型變換器完全相同,二次側濾波電感用于存儲能量。電壓變換比m與降壓型變換器相類似,即: ![]() 式中:n為變壓器的匝數比,n=N1/N2;N1為一次繞組的匝數;N2為二次繞組的匝數。 (2)單端激勵型變換器 ①單端反激式電源適配器。單端反激式電源適配器的典型電路如圖1-9(a)所示。所謂的單端是指高頻變換器的磁芯僅工作在磁滯回線的一側。所謂的反激是指當開關管VT1導通時,高頻變壓器T初級繞組的感應電壓為上正下負,整流二極管VD1處于截止狀態,在初級繞組中儲存能量。當開關管VT1截止時,變壓器T初級繞組中存儲的能量通過次級繞組及VD1整流和電容C濾波后向負載輸出。單端反激式電源適配器是一種成本較低的電源適配器電路,輸出功率為20~100W,可以同時輸出不同的電壓,且有較好的電壓調整率;的缺點是輸出的紋波電壓較大,外特性差,適用于相對固定的負載。 單端反激式電源適配器使用的開關管VT1承受的較大反向電壓是電路工作電壓的兩倍,工作頻率為20~200kHz。 ②單端正激式電源適配器。其典型電路如圖1-9(b)所示。這種電路在形式上與單端反激式電路相似,但工作情形不同。當開關管VT1導通時,VD2也導通,這時電網向負載傳送能量,濾波電感L儲存能量;當開關管VT1截止時,電感L通過續流二極管VD3繼續向負載釋放能量。它是采用變壓器耦合的降壓型變換器電路。與推挽型變換器一樣,加在變壓器一次側(一半)上的脈沖電壓的振幅等于輸入電壓Ui,寬度為開關導通時間ton,變壓器二次電壓經二極管全波整流變為直流。電壓變換比為m=D/n。 ![]() 開關管VT1斷開時,變壓器釋放能量,二極管VD3和繞組N3就是為此而設的,能量通過它們反饋到輸入側。開關一斷開,繞組N1中存儲的能量轉移到繞組N3中。為防止變壓器飽和,在開關斷開期間內變壓器必須全部消磁,則tre≤(1?D)Ts。 在電路中還設有鉗位線圈與二極管VD1,它可以將開關管VT1的較高電壓限制在兩倍電源適配器電壓之間。為滿足磁芯復位條件,即磁通建立和復位時間應相等,所以電路中脈沖的占空比不能大于50%。 由于這種電路在開關管VT1導通時,通過變壓器向負載傳送能量,所以輸出功率范圍大,可輸出50~200W的功率。電路使用的變壓器結構復雜,體積也較大,正由于這個原因,這種電路的實際應用較少。 (3)隔離型Cuk變換器 隔離型Cuk變換器電路如圖1-10所示。開關斷開時,電感L1的電流IL1對電容C11充電,同時C12也充電(二極管VD導通);開關VT導通時,二極管VD變為截止狀態,C12通過L2向負載放電。 ![]() (4)電流變換器 電流變換器電路如圖1-11所示,它是逆變整流型變換器。圖1-11(a)是能量回饋方式,開關VT1(VT2)導通時,電感器L的一次側電壓為Ud?nUo(式中n=N1/N2),電感L勵磁并儲存能量;VT1(VT2)斷開時,儲存在電感L中的能量通過二極管VD3反饋到輸入側。對于圖1-11(b)所示的變換器,兩只開關同時導通時,加在電感L上的電壓為Ud,電感L勵磁并儲存能量。任意一只開關斷開時,反向電壓(nUo?Ud)加到電感L上,電感L釋放能量,其工作原理與升壓升壓型變換器類似。 ![]() 圖電流變換器電路 (5)全橋型變換器 全橋型變換器如圖1-12所示,VT1、VT3及VT2、VT4是兩對開關管,重復交互通斷,但兩對開關導通有時間差,所以變壓器一次側加的電壓UAB為脈沖寬度等于其時間差的方波電壓。變壓器二次側的二極管將此電壓整流變為方波,再經濾波器變為平滑直流電供給負載。電壓變換比為m=D/n。 ![]() 圖全橋型變換電路 (6)準諧振型變換器 在開關變換器電路中接入電感和電容的諧振電路,流經開關的電流以及加在開關兩端的電壓波形為準正弦波,這種電路被稱為準諧振型變換器。 圖所示為電流諧振開關和電壓諧振開關的基本電路以及工作波形。圖(a)所示是電流諧振開關,諧振用電感Lr和開關VT串聯,流經開關的電流為正弦波的一部分。當開關導通時,電流is從0以正弦波形狀上升,上升到電流峰值后,又以正弦波形狀減小到零。電流變為零之后,開關斷開,波形圖如圖(a)所示。開關再次導通時,重復以上過程。由此可見,開關在零電流時通斷,這樣動作的開關叫做零電流開關(Zero-CurrentSwitch),簡稱為ZCS。在零電流開關中,開關通斷時與電壓重疊的電流非常小,從而可以降低開關損耗。采用電流諧振開關時,寄生電感可作為諧振電路元件的一部分,這樣可以降低開關斷開時產生的浪涌電壓。 圖(b)所示電路為電壓諧振開關,諧振電容Cr與開關并聯,加在開關兩端的電壓波形為正弦波的一部分。開關斷開時,開關兩端電壓從0以正弦波形狀上升,上升到峰值后又以正弦波形狀下降為零。電壓變為零之后,開關導通,波形圖如圖(b)所示。開關再斷開時,重復以上過程。可見,開關在關在零電壓處通斷,這樣動作的開關叫做零電壓開關(Zero-VoltageSwitch),簡稱ZVS。在零電壓開關中,開關通斷時與電流重疊的電壓非常小,從而可以降低開關損耗。這種開關中寄生電感與電容作為諧振元件的一部分,可以消除開關導通時的電流浪涌與斷開時的電壓浪涌。 ![]() 圖準諧振開關電路 電流諧振開關中開關導通時電流脈沖寬度由諧振電路決定,為了進行脈沖控制,需要保持導通時間不變,改變開關的斷開時間。對于電壓諧振開關,開關斷開時的電壓脈沖寬度由諧振電路決定,為了進行脈沖控制,需要保持開關的斷開時間不變,改變開關的導通時間。在以上兩種情況下,改變開關工作周期,則諧振變換器由改變開關工作頻率進行控制。 在圖所示電路中,開關電壓或電流的波形為半波,但也可以為全波,因此諧波開關又可分為半波諧振開關和全波諧振開關兩種。 (7)自激式電源適配器 自激式電源適配器的典型電路如圖所示。這是一種利用間歇振蕩電路組成的電源適配器,也是目前廣泛使用的基本電源適配器之一。 ![]() 當接入電源適配器后,R1給開關管VT1提供啟動電流,使VT1開始導通,其集電極電流IC在L1中線性增大,在L2中感應出使VT1基極為正、發射極為負的正反饋電壓,使VT1很快飽和。與此同時,感應電壓給C1充電。隨著C1充電電壓的增大,VT1基極電位逐漸變低,致使VT1退出飽和區,IC開始減小,在L2中感應出使VT1基極為負、發射極為正的電壓,使VT1迅速截止。這時二極管VD1導通,高頻變壓器T初級繞組中的儲能釋放給負載。在VT1截止時,L2中沒有感應電壓,直流供電輸入電壓又經R1給C1反向充電,逐漸提高VT1的基極電位,使其重新導通,再次翻轉達到飽和狀態,電路就這樣重復振蕩下去。這里就像單端反激式電源適配器那樣,由變壓器T的次級繞組向負載輸出所需要的電壓。 自激式電源適配器中的開關管起著開關及振蕩的雙重作用,也省去了控制電路。電路中由于負載位于變壓器的次級且工作在反激狀態下,具有輸入和輸出相互隔離的優點。這種電路不僅適用于大功率電源適配器,亦適用于小功率電源適配器。
文章轉載自網絡,如有侵權,請聯系刪除。 | ||||||||||
| | 發布時間:2019.05.27 來源:電源適配器廠家 |
| 上一個:電源適配器元件的深入分析 | 下一個:固定式雙電源適配器直流穩壓電路設計 |
東莞市玖琪實業有限公司專業生產:電源適配器、充電器、LED驅動電源、車載充電器、開關電源等....